首頁 關於 產品介紹 聯絡方式
home about products contact 

way
牙口

法蘭 SCREWED
滑套法蘭
SLIP-ON
牙口法蘭
SCREWED
套焊法蘭
SOCKET WELD
高頸法蘭
WELD NECK
襯套法蘭
LAP JOINT
盲法蘭
BLIND
JIS B2220- 1986
Nominal Pressure 5K
JIS B2220- 1986
Nominal Pressure 10K

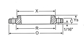
SCREWED 150 lbs

牙口法蘭 SCREWED

Nominal
Pipe
Size

Outside
Dia. Of
Flange
O

Thick
Of
Flange
C

Dia.of
hub at
base
X

Dia.of
Raised
Face
R

Length
Thru
Hub
Ys

Dia.of
Bolt
Circle

Dia
Of
Bolt
Holes

Dia.
Of
Bolts

Pipe
size

1/2”

3/4”

1”

1-1/4”

1-1/2

2”

2-1/2”

3”

4”

5”

6”

8”

10”

12”

14”

16”

18”

20”

24”

 

88.9

98.4

108.0

117.5

127.0

152.4

177.8

190.5

228.6

254.0

279.4

342.9

406.4

482.6

533.4

596.9

635.0

698.5

812.8

11.2

12.7

14.3

15.9

17.5

19.1

22.3

23.9

23.9

23.9

25.4

28.6

30.2

31.8

35.0

36.6

39.7

42.9

47.7

30.2

38.1

49.2

58.7

65.1

77.8

90.5

108.0

134.9

163.5

192.1

246.1

304.8

365.1

400.1

457.2

504.8

558.8

663.6

34.9

42.9

50.8

63.5

73.0

92.1

104.8

127.0

157.2

185.7

215.9

269.9

323.9

381.0

412.8

469.9

533.4

584.2

692.2

15.9

15.9

17.5

20.6

22.2

25.4

28.6

30.2

33.3

36.5

39.7

44.5

49.2

55.6

57.2

63.5

68.3

73.0

82.6

60.3

69.9

79.4

88.9

98.4

120.7

139.7

152.4

190.5

215.9

241.3

298.5

362.0

431.8

476.3

539.9

577.9

635.0

749.3

15.9

15.9

15.9

15.9

15.9

19.1

19.1

19.1

19.1

22.2

22.2

22.2

25.4

25.4

28.6

28.6

31.8

31.8

34.9

1/2

1/2

1/2

1/2

1/2

5/8

5/8

5/8

5/8

3/4

3/4

3/4

7/8

7/8

1

1

1-1/8

1-1/8

1-1/4

1/2”

3/4”

1”

1-1/4”

1-1/2”

2”

2-1/2”

3”

4”

5”

6”

8”

10”

12”

14”

16”

18”

20”

24”

The 1/16” Raised Face is included in Thickness C and Length Y

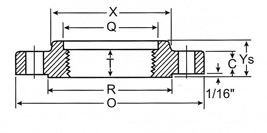
SCREWED 300 lbs

牙口法蘭 SCREWED

Nominal
Pipe
Size

 

Outside
Dia. of
Flange
O

Thick
Of
Flange
C

Dia. of
Hub at
Base
X

Dia. of
Raised
Face
R

Length
Thru
Hub
Ys

Min.
Thread
Length
T

Counter
Bore
Screwed
Flange
Min
Q

Dia.
Of
Bolt
Holes

PIPE
SIZE

1/2”

3/4”

1”

1-1/4”

1-1/2

2”

2-1/2”

3”

4”

5”

6”

8”

10”

12”

14”

16”

18”

20”

24”

95.3

117.5

123.8

133.4

155.6

165.1

190.5

209.6

254.0

279.4

317.5

381.0

444.5

520.7

584.2

647.7

711.2

774.7

914.4

14.3

15.9

17.5

19.1

20.7

22.3

25.4

28.6

31.8

35.0

36.6

41.3

47.7

50.8

54.0

57.2

60.4

63.5

69.9

38.1

47.6

54.0

63.5

69.9

84.1

100.0

117.5

146.1

177.8

206.4

260.4

320.7

374.7

425.5

482.6

533.4

587.4

701.7

34.9

42.9

50.8

63.5

73.0

92.1

104.8

127.0

157.2

185.7

215.9

269.9

323.9

381.0

412.8

469.9

533.4

584.2

692.2

22.2

25.4

27.0

27.0

30.2

33.3

38.1

42.9

47.6

50.8

52.4

61.9

66.7

73.0

76.2

82.6

88.9

95.3

106.4

15.9

15.9

17.5

20.6

22.2

28.6

31.8

31.8

36.5

42.9

46.0

50.8

55.6

60.3

63.5

68.3

69.9

73.0

82.6

23.6

29.0

35.8

44.5

50.5

63.5

76.2

92.2

117.6

144.5

171.5

222.3

276.4

328.7

360.4

411.2

462.0

512.8

614.4

15.9

19.1

19.1

19.1

19.1

22.2

22.2

22.2

22.2

22.2

22.2

25.4

28.6

31.8

31.8

34.9

34.9

34.9

41.3

1/2”

3/4”

1”

1-1/4”

1-1/2”

2”

2-1/2”

3”

4”

5”

6”

8”

10”

12”

14”

16”

18”

20”

24”

The 1/16” Raised Face is included in Thickness C and Length Y.

 

高雄市大寮區興隆路287號
http://shbillion.com/
TEL:886-7-7829057
FAX:886-7-7828790

P.O BOX 26-78
KEPZ.KAOHSIUNG.TAIWAN, R. O. C.
E-mail:bill.shsteel@msa.hinet.net
@2011 (c) BILLION HENLANE