|
|
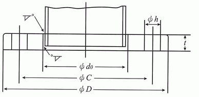
JIS
B2220-1986 Nominal Pressure 10K
|
 |
Nominal Diameter
10 to 200 mm
Unit
: mm
|
Nominal
Pipe size |
Outside
Dia. of
steel
pipe to
be
applied |
Dia. of
hole
to be
inserted
dO |
Outside
Dia.
D |
Bolt hole |
t |
Approx.
Weight
kg |
|
Dia.
of
central
circle
C |
Dia.
h |
No.
of
bolts |
|
10
15
20
25
32
40
50
65
80
100
125
150
200 |
17.3
21.7
27.2
34.0
42.7
48.6
60.5
76.3
89.1
114.3
139.8
165.2
216.3 |
17.8
22.2
27.7
34.5
43.2
49.1
61.1
77.1
90.0
115.4
141.2
166.6
218.0 |
90
95
100
125
135
140
155
175
185
210
250
280
330 |
65
70
75
90
100
105
120
140
150
175
210
240
290 |
15
15
15
19
19
19
19
19
19
19
23
23
23 |
4
4
4
4
4
4
4
4
8
8
8
8
12 |
12
12
14
14
16
16
16
18
18
18
20
22
22 |
0.52
0.57
0.73
1.13
1.48
1.56
1.88
2.60
2.61
3.14
4.77
6.34
7.53 |
Remarks: 1.
Those of nominal diameters given
in parenthesis should not be
used preferably as far as
possible.
2. The bolt
hole diameters (h) shall be in
accordance with are Grade 3 of
JIS B 1001 in the case where the
nominal designation of screw
thread of the bolt are M16 or
under, and be in accordance with
Grade 2 of JIS B 1001 in the
case where the nominal
designation of screw thread of
the bolt is M 30. Furthermore,
in the case where the nominal
designations of screw thread of
the bolt is M 20 or over, the
ordinary bolts of the Appendix
of JIS B 1180 shall be
particularly used for the pumps
of general use. When the bolt
hole diameters (h) in the table
are not applicable, the Grade 3
of JIS B 1001 may be used as
agreed upon between the parties
concerned to the delivery.
3. The gasket
facings of flanges shall be in
accordance with JIS B 2202. 4.
The mass has been calculated
assuming the density of steel as
7.85 g/cm3
Reference:
Regarding materials and shapes
of bolts and nuts, refer to
Reference 2 of JIS B 2210. |
JIS
B2220-1986 Nominal Pressure 10K
|
 |
Nominal Diameter
250 to
1000 Unit:
mm
|
Nominal Pipe size
|
Outside
Dia. of
steel
pipe to
be applied |
Dia. of
hole
to be
inserted
dO |
Dimensions
of each part
of flange |
Bolt hole |
approx
weigh
kg |
|
Outside
Dia.
D |
t |
T |
Dia. of hub |
Dia.
of
central
circle
C |
Dia.
h |
No.
of
bolts |
|
a |
b |
|
250
300
350
400
450
500
600
700
800
900
1000 |
267.4
318.5
355.6
406.4
457.2
508.0
609.6
711.2
812.8
914.4
1016.0 |
269.5
321.0
358.1
409.0
460.0
511.0
613.0
715.0
817.0
919.0
1021 |
400.0
445.0
490.0
560.0
620.0
675.0
795.0
905.0
1020
1120
1235 |
24
24
26
28
30
30
32
34
36
38
40 |
36
38
42
44
48
48
52
58
64
70
74 |
288
340
380
436
496
548
656
762
868
971
1073 |
292
346
386
442
502
554
662
770
876
979
1081 |
355
400
445
510
565
620
730
840
950
1050
1160 |
25
25
25
27
27
27
33
33
33
33
39 |
12
16
16
16
20
20
24
24
28
28
28 |
12.7
13.8
18.2
25.2
33.0
37.6
52.6
70.6
91.2
109.0
133.0 |
Remarks: 1.
Those of nominal diameters given
in parenthesis should not be
used preferably as far as
possible.
2. The bolt
hole diameters (h) shall be in
accordance with are Grade 3 of
JIS B 1001 in the case where the
nominal designation of screw
thread of the bolt are M16 or
under, and be in accordance with
Grade 2 of JIS B 1001 in the
case where the nominal
designation of screw thread of
the bolt is M 30. Furthermore,
in the case where the nominal
designations of screw thread of
the bolt is M 20 or over, the
ordinary bolts of the Appendix
of JIS B 1180 shall be
particularly used for the pumps
of general use. When the bolt
hole diameters (h) in the table
are not applicable, the Grade 3
of JIS B 1001 may be used as
agreed upon between the parties
concerned to the delivery.
3. The gasket
facings of flanges shall be in
accordance with JIS B 2202.
4. The mass
has been calculated assuming the
density of steel as 7.85 g/cm3
Reference:
Regarding materials and shapes
of bolts and nuts, refer to
Reference 2 of JIS B 2210
|
|