首頁 關於 產品介紹 聯絡方式
home about products contact way
滑套法蘭
SLIP-ON
牙口法蘭
SCREWED
套焊法蘭
SOCKET WELD
高頸法蘭
WELD NECK
襯套法蘭
LAP JOINT
盲法蘭
BLIND
JIS B2220-1986
Nominal Pressure 5K
JIS B2220-1986
Nominal Pressure 10K

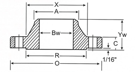
WELD NECK 150 lbs

高頸法蘭 WELD NECK

Nominal
Pipe
Size

Outside
Dia. Of
Flange
O

Thick
Of
flange
C

Dia of
Raised
Face
R

Length
Thru.
Hub
Yw

Dia.of
Hub at
base
X

Dia.of
Hub at
bevel
A

No.
Of
bolts

Dia.
Of
Bore
Bw

Pipe
size

1/2”

3/4

1”

1-1/4”

1-1/2”

2”

2-1/2”

3”

4”

5”

6”

8”

10”

12”

14”

16”

18”

20”

24”

88.9

98.4

108.0

117.5

127

152.4

177.8

190.5

228.6

254

279.4

342.9

406.4

482.6

533.4

596.9

635

698.5

812.8

11.2

12.7

14.3

15.9

17.5

19.1

22.3

23.9

23.9

23.9

25.4

28.6

30.2

31.8

35.0

36.6

39.7

42.9

47.7

34.9

42.9

50.8

63.5

73.0

92.1

104.8

127.0

157.2

185.7

215.9

269.9

323.9

381.0

412.8

469.9

533.4

584.2

692.2

47.6

52.4

55.6

57.2

61.9

63.5

69.9

69.9

76.2

88.9

88.9

101.6

101.6

114.3

127.0

127.0

139.7

144.5

152.4

30.2

38.1

49.2

58.7

65.1

77.8

90.5

108.0

134.9

163.5

192.1

246.1

304.8

365.1

400.1

457.2

504.8

558.8

663.6

21.3

26.7

33.5

42.2

48.3

60.5

73.2

88.9

114.3

141.2

168.4

219.2

273.1

323.9

355.6

406.4

457.2

508.0

609.6

4

4

4

4

4

4

4

4

8

8

8

8

12

12

12

16

16

20

20

15.7

20.8

26.7

35.1

40.9

52.6

62.7

78.0

102.4

128.3

154.2

202.7

254.5

304.8

336.6

387.4

438.2

489.0

590.6

1/2”

3/4”

1”

1-1/4”

1-1/2”

2”

2-1/2”

3”

4”

5”

6”

8”

10”

12”

14”

16”

18”

20”

24”

The 1/16” Raised Face is included in Thickness C and Length Y.

WELD NECK 300 lbs

Nominal
Pipe
Size

 

Outside
Dia. of
Flange
O

Thick
Of
Flange
C

Dia. of
Hub at
Base
X

Dia. of
Raised
Face
R

Length
Thru
Hub
Yw

Dia.
Of
Bore
Bw

Dia. of
Hub at
Bevel
A

Dia. of
Bolt
Circle

Pipe
Size

1/2”

3/4”

1”

1-1/4”

1-1/2
2”

2-1/2”

3”

4”

5”

6”

8”

10”

12”

14”

16”

18”
20”

24”

95.3

117.5

123.8

133.4

155.6

165.1

190.5

209.6

254.0

279.4

317.5

381.0

444.5

520.7

584.2

647.7

711.2

774.7

914.4

14.3

15.9

17.5

19.1

20.7

22.3

25.4

28.6

31.8

35.0

36.6

41.3

47.7

50.8

54.0

57.2

60.4

63.5

69.9

38.1

47.6

54.0

63.5

69.9

84.1

100.0

117.5

146.1

177.8

206.4

260.4

320.7

374.7

425.5

482.6

533.4

587.4

701.7

34.9

42.9

50.8

63.5

73.0

92.1

104.8

127.0

157.2

185.7

215.9

269.9

323.9

381.0

412.8

469.9

533.4

584.2

692.2

52.4

57.2

61.9

65.1

68.3

69.9

76.2

79.4

85.7

98.4

98.4

111.1

117.5

130.2

142.9

146.1

158.8

161.9

168.3

15.7

20.8

26.7

35.1

40.9

52.6

62.7

78.0

102.4

128.3

154.2

202.7

254.5

304.8

336.6

387.4

438.2

489.0

590.6

21.3

26.7

33.5

42.2

48.3

60.5

73.2

88.9

114.3

141.2

168.4

219.2

273.1

323.9

355.6

406.4

457.2

508.0

609.6

66.7

82.6

88.9

98.4

114.3

127.0

149.2

168.3

200.0

235.0

269.9

330.2

387.4

450.9

514.4

571.5

628.7

685.8

812.8

1/2”

3/4”

1”

1-1/4”

1-1/2”

2”

2-1/2”

3”

4”

5”

6”
8”

10”

12”

14”

16”

18”

20”

24”

The 1/16” Raised Face is included in Thickness C and Length Y.

高雄市大寮區興隆路287號
http://shbillion.com/
TEL:886-7-7829057
FAX:886-7-7828790

P.O BOX 26-78
KEPZ.KAOHSIUNG.TAIWAN, R. O. C.
E-mail:bill.shsteel@msa.hinet.net
@2011 (c) BILLION HENLANE